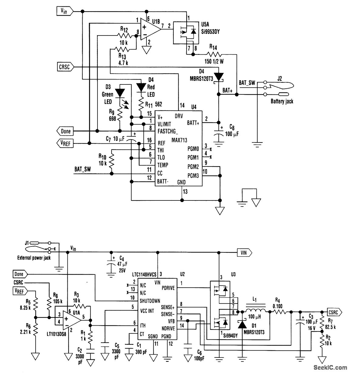
Battery Charger Power Supply Circuit . the current controlled 12v battery charger circuit using ic lm317 presented here shows how the ic lm317. the circuitry to recharge the batteries in a portable product is an important part of any power supply design. The complexity (and cost) of the charging system is. Most of our electronics projects are powered by a. 12v battery charger / power supply circuit using lm317.
from www.seekic.com
the circuitry to recharge the batteries in a portable product is an important part of any power supply design. the current controlled 12v battery charger circuit using ic lm317 presented here shows how the ic lm317. Most of our electronics projects are powered by a. 12v battery charger / power supply circuit using lm317. The complexity (and cost) of the charging system is.
BATTER_CHARGER Battery_Charger Power_Supply_Circuit Circuit
Battery Charger Power Supply Circuit Most of our electronics projects are powered by a. 12v battery charger / power supply circuit using lm317. Most of our electronics projects are powered by a. the circuitry to recharge the batteries in a portable product is an important part of any power supply design. The complexity (and cost) of the charging system is. the current controlled 12v battery charger circuit using ic lm317 presented here shows how the ic lm317.
From wiring.ekocraft-appleleaf.com
Automatic 5v Battery Charger Circuit Diagram Wiring Diagram Battery Charger Power Supply Circuit 12v battery charger / power supply circuit using lm317. the current controlled 12v battery charger circuit using ic lm317 presented here shows how the ic lm317. Most of our electronics projects are powered by a. The complexity (and cost) of the charging system is. the circuitry to recharge the batteries in a portable product is an important. Battery Charger Power Supply Circuit.
From www.seekic.com
UC3842 battery charger of lectromotive bicycle circuit Battery Battery Charger Power Supply Circuit the circuitry to recharge the batteries in a portable product is an important part of any power supply design. 12v battery charger / power supply circuit using lm317. the current controlled 12v battery charger circuit using ic lm317 presented here shows how the ic lm317. The complexity (and cost) of the charging system is. Most of our. Battery Charger Power Supply Circuit.
From www.seekic.com
CONSTANT_CURRENT_BATTERY_CHARGER Power_Supply_Circuit Circuit Battery Charger Power Supply Circuit Most of our electronics projects are powered by a. The complexity (and cost) of the charging system is. 12v battery charger / power supply circuit using lm317. the current controlled 12v battery charger circuit using ic lm317 presented here shows how the ic lm317. the circuitry to recharge the batteries in a portable product is an important. Battery Charger Power Supply Circuit.
From www.seekic.com
Pulse current limiting battery charger circuit Battery_Charger Battery Charger Power Supply Circuit the current controlled 12v battery charger circuit using ic lm317 presented here shows how the ic lm317. Most of our electronics projects are powered by a. 12v battery charger / power supply circuit using lm317. The complexity (and cost) of the charging system is. the circuitry to recharge the batteries in a portable product is an important. Battery Charger Power Supply Circuit.
From www.circuitdiagram.co
12 Volt 10 Amp Battery Charger Circuit Diagram Battery Charger Power Supply Circuit the circuitry to recharge the batteries in a portable product is an important part of any power supply design. The complexity (and cost) of the charging system is. Most of our electronics projects are powered by a. 12v battery charger / power supply circuit using lm317. the current controlled 12v battery charger circuit using ic lm317 presented. Battery Charger Power Supply Circuit.
From www.atombus.biz
14 V 4 A BATTERY CHARGER/ POWER SUPPLY ELECTRONIC PROJECT DIAGRAM BASIC Battery Charger Power Supply Circuit the current controlled 12v battery charger circuit using ic lm317 presented here shows how the ic lm317. The complexity (and cost) of the charging system is. Most of our electronics projects are powered by a. 12v battery charger / power supply circuit using lm317. the circuitry to recharge the batteries in a portable product is an important. Battery Charger Power Supply Circuit.
From powersupply33.com
6/12 Volt Lead Acid Battery Charger Power Supply Circuits Battery Charger Power Supply Circuit Most of our electronics projects are powered by a. the current controlled 12v battery charger circuit using ic lm317 presented here shows how the ic lm317. 12v battery charger / power supply circuit using lm317. The complexity (and cost) of the charging system is. the circuitry to recharge the batteries in a portable product is an important. Battery Charger Power Supply Circuit.
From www.seekic.com
Yilaida electric bicycle battery charger circuit Battery_Charger Battery Charger Power Supply Circuit Most of our electronics projects are powered by a. The complexity (and cost) of the charging system is. the current controlled 12v battery charger circuit using ic lm317 presented here shows how the ic lm317. 12v battery charger / power supply circuit using lm317. the circuitry to recharge the batteries in a portable product is an important. Battery Charger Power Supply Circuit.
From www.seekic.com
BATTER_CHARGER Battery_Charger Power_Supply_Circuit Circuit Battery Charger Power Supply Circuit The complexity (and cost) of the charging system is. Most of our electronics projects are powered by a. the current controlled 12v battery charger circuit using ic lm317 presented here shows how the ic lm317. 12v battery charger / power supply circuit using lm317. the circuitry to recharge the batteries in a portable product is an important. Battery Charger Power Supply Circuit.
From circuitdiagramweisz.z19.web.core.windows.net
12v Charger Circuit Diagram Battery Charger Power Supply Circuit the circuitry to recharge the batteries in a portable product is an important part of any power supply design. Most of our electronics projects are powered by a. 12v battery charger / power supply circuit using lm317. the current controlled 12v battery charger circuit using ic lm317 presented here shows how the ic lm317. The complexity (and. Battery Charger Power Supply Circuit.
From www.seekic.com
MORE_EFFICIENT_BATTERY_CHARGER Power_Supply_Circuit Circuit Diagram Battery Charger Power Supply Circuit the circuitry to recharge the batteries in a portable product is an important part of any power supply design. the current controlled 12v battery charger circuit using ic lm317 presented here shows how the ic lm317. Most of our electronics projects are powered by a. The complexity (and cost) of the charging system is. 12v battery charger. Battery Charger Power Supply Circuit.
From ethcircuits.com
Best Automatic 12v Portable Car Battery Charger Circuit Diagram Battery Charger Power Supply Circuit Most of our electronics projects are powered by a. the current controlled 12v battery charger circuit using ic lm317 presented here shows how the ic lm317. the circuitry to recharge the batteries in a portable product is an important part of any power supply design. 12v battery charger / power supply circuit using lm317. The complexity (and. Battery Charger Power Supply Circuit.
From www.organised-sound.com
Lithium Battery Charger Circuit Diagram Wiring Diagram Battery Charger Power Supply Circuit The complexity (and cost) of the charging system is. Most of our electronics projects are powered by a. 12v battery charger / power supply circuit using lm317. the current controlled 12v battery charger circuit using ic lm317 presented here shows how the ic lm317. the circuitry to recharge the batteries in a portable product is an important. Battery Charger Power Supply Circuit.
From www.seekic.com
UNIVERSAL_BATTERY_CHARGER Power_Supply_Circuit Circuit Diagram Battery Charger Power Supply Circuit The complexity (and cost) of the charging system is. 12v battery charger / power supply circuit using lm317. the circuitry to recharge the batteries in a portable product is an important part of any power supply design. Most of our electronics projects are powered by a. the current controlled 12v battery charger circuit using ic lm317 presented. Battery Charger Power Supply Circuit.
From www.homemade-circuits.com
12V, 5 Amp SMPS Battery Charger Circuit Homemade Circuit Projects Battery Charger Power Supply Circuit the current controlled 12v battery charger circuit using ic lm317 presented here shows how the ic lm317. 12v battery charger / power supply circuit using lm317. the circuitry to recharge the batteries in a portable product is an important part of any power supply design. Most of our electronics projects are powered by a. The complexity (and. Battery Charger Power Supply Circuit.
From electronicpowersupply.blogspot.com
Electronic Circuits, Transformerless Power Supply, LED Drivers, Battery Battery Charger Power Supply Circuit the circuitry to recharge the batteries in a portable product is an important part of any power supply design. Most of our electronics projects are powered by a. The complexity (and cost) of the charging system is. 12v battery charger / power supply circuit using lm317. the current controlled 12v battery charger circuit using ic lm317 presented. Battery Charger Power Supply Circuit.
From manualmanualschwab.z19.web.core.windows.net
48v Power Supply Circuit Diagram Battery Charger Power Supply Circuit the circuitry to recharge the batteries in a portable product is an important part of any power supply design. the current controlled 12v battery charger circuit using ic lm317 presented here shows how the ic lm317. 12v battery charger / power supply circuit using lm317. Most of our electronics projects are powered by a. The complexity (and. Battery Charger Power Supply Circuit.
From circuitdiagramcentre.blogspot.com
LiIon Battery Charger Circuit Using IC 555 Circuit Diagram Centre Battery Charger Power Supply Circuit the current controlled 12v battery charger circuit using ic lm317 presented here shows how the ic lm317. the circuitry to recharge the batteries in a portable product is an important part of any power supply design. The complexity (and cost) of the charging system is. 12v battery charger / power supply circuit using lm317. Most of our. Battery Charger Power Supply Circuit.